
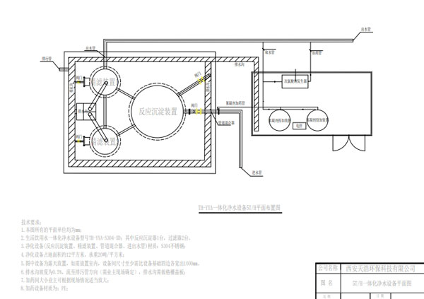
《農村安全飲水25T/H一體化凈水設備工藝及施工圖紙下載》全文共144個字,預計閱讀時長1分鐘。主要講述:衣村安全飲水項目(自來水廠)25T/H一體化凈水設備處理工藝及設備安裝施工圖pdf、cad圖紙,包含25T/H一體化凈水設備安裝平面圖、高程圖、工藝流程圖、產品參數、設備選型參數表等,可供衣村安全飲水項...
衣村安全飲水項目(自來水廠)25T/H一體化凈水設備處理工藝及設備安裝施工圖pdf、cad圖紙,包含25T/H一體化凈水設備安裝平面圖、高程圖、工藝流程圖、產品參數、設備選型參數表等,可供衣村安全飲水項目設計單位(院)、水處理設計師參考使用。

圖紙下載地址:25T一體化凈水設備工藝設計圖